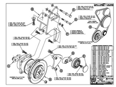
Kit Staffaggi Compressori - RENAULT Trucks - Midlum . . . 01.00 > 05.13
Designazione
I N F O
Specificazioni
---
Numero OEM
---
Applicazioni (sintesi)
FRANCAIS
Les versions suivantes sont disponible:
- Version ''Climatisation'' avec embrayage standard.
- Version ''Réfrigération'' avec embrayage augmenté pour compresseurs SANDEN.
- Version ''Réfrigération'' avec embrayage augmenté pour compresseurs QUE / UNICLA / VALEO SELTEC.
Pour la réfrigération, utiliser les kits ayant le plus faible régime compresseur (3000 - 4000 t/min).
DEUTSCH
Die folgenden Versionen sind verfügbar:
- Klimaanlagenversion mit Standardkupplung.
- Abkühlungsversion mit vergrößertkupplung für SANDEN Kompressoren.
- Abkühlungsversion mit vergrößertkupplung für QUE / UNICLA / VALEO SELTEC Kompressoren.
Für die Abkühlung, die Bausätze mit das schwächste Kompressordrehzahl anzuwenden (3000 - 4000 U/min).
ITALIANO
Le seguenti versioni sono disponibili:
- Versione ''Climatizzazione'' con frizioni standard.
- Versione ''Refrigerazione'' con frizioni aumentato per compressori SANDEN.
- Versione ''Refrigerazione'' con frizioni aumentato per compressori QUE / UNICLA / VALEO SELTEC.
Per la refrigerazione, utilizzare i kits che hanno il più debole regime compressore (3000 - 4000 g/min).
ENGLISH
The following versions are available:
- Version ''Air-conditioning'' with standard clutch.
- Version ''Refrigeration'' with clutch increased for SANDEN compressors.
- Version ''Refrigeration'' with clutch increased for QUE / UNICLA / VALEO SELTEC compressors.
For refrigeration, use kits having the weakest compressor speed (3000 - 4000 rpm).
FRANCAIS
Les versions suivantes sont disponible:
- Version ''Climatisation'' avec embrayage standard.
- Version ''Réfrigération'' avec embrayage augmenté pour compresseurs SANDEN.
- Version ''Réfrigération'' avec embrayage augmenté pour compresseurs QUE / UNICLA / VALEO SELTEC.
Pour la réfrigération, utiliser les kits ayant le plus faible régime compresseur (3000 - 4000 t/min).
DEUTSCH
Die folgenden Versionen sind verfügbar:
- Klimaanlagenversion mit Standardkupplung.
- Abkühlungsversion mit vergrößertkupplung für SANDEN Kompressoren.
- Abkühlungsversion mit vergrößertkupplung für QUE / UNICLA / VALEO SELTEC Kompressoren.
Für die Abkühlung, die Bausätze mit das schwächste Kompressordrehzahl anzuwenden (3000 - 4000 U/min).
ITALIANO
Le seguenti versioni sono disponibili:
- Versione ''Climatizzazione'' con frizioni standard.
- Versione ''Refrigerazione'' con frizioni aumentato per compressori SANDEN.
- Versione ''Refrigerazione'' con frizioni aumentato per compressori QUE / UNICLA / VALEO SELTEC.
Per la refrigerazione, utilizzare i kits che hanno il più debole regime compressore (3000 - 4000 g/min).
ENGLISH
The following versions are available:
- Version ''Air-conditioning'' with standard clutch.
- Version ''Refrigeration'' with clutch increased for SANDEN compressors.
- Version ''Refrigeration'' with clutch increased for QUE / UNICLA / VALEO SELTEC compressors.
For refrigeration, use kits having the weakest compressor speed (3000 - 4000 rpm).
Designazione
I N F O
Specificazioni
---
Numero OEM
---
Applicazioni (sintesi)
FRANCAIS
- Il est impératif de régler les courroies aux fréquences indiquées sur les plans.
- Précisément sur la partie indiquée par la ligne qui relie la courroie au tableau des valeurs.
- Une tension incorrecte peut entraîner la destruction de composants et l'annulation de la garantie.
DEUTSCH
- Es ist imperativ, die Riemen an den Frequenz den gezeigten Plänen zu regeln.
- Genau auf dem Platz angezeigt bei die Linie zwischen den Riemen und dem Gemälde der Werte.
- Eine unkorrekte Spannung kann die Destruktion von Bestandteilen und die Aufhebung der Garantie mitnehmen.
ITALIANO
- È imperativo di regolare le corregge alle frequenze indicate sui piani.
- Precisamente sulla parte indicata dalla linea che collega la correggia al quadro dei valori.
- Una tensione scorretta può trascinare la distruzione di componenti e l'annullamento della garanzia.
ENGLISH
- It is imperative to adjust the belts at the frequencies indicated on the plans.
- Precisely on the belt part indicated by the line that joins the belt to the value chart.
- An incorrect tension can entail the destruction of components and the annulment of the warranty.
FRANCAIS
- Il est impératif de régler les courroies aux fréquences indiquées sur les plans.
- Précisément sur la partie indiquée par la ligne qui relie la courroie au tableau des valeurs.
- Une tension incorrecte peut entraîner la destruction de composants et l'annulation de la garantie.
DEUTSCH
- Es ist imperativ, die Riemen an den Frequenz den gezeigten Plänen zu regeln.
- Genau auf dem Platz angezeigt bei die Linie zwischen den Riemen und dem Gemälde der Werte.
- Eine unkorrekte Spannung kann die Destruktion von Bestandteilen und die Aufhebung der Garantie mitnehmen.
ITALIANO
- È imperativo di regolare le corregge alle frequenze indicate sui piani.
- Precisamente sulla parte indicata dalla linea che collega la correggia al quadro dei valori.
- Una tensione scorretta può trascinare la distruzione di componenti e l'annullamento della garanzia.
ENGLISH
- It is imperative to adjust the belts at the frequencies indicated on the plans.
- Precisely on the belt part indicated by the line that joins the belt to the value chart.
- An incorrect tension can entail the destruction of components and the annulment of the warranty.
Designazione
I N F O
Specificazioni
---
Numero OEM
---
Applicazioni (sintesi)
FRANCAIS
- Avec un groupe frigorifique, le START-STOP doit être désactivé
DEUTSCH
- Mit ein Kühlanlage, START-STOP muss deaktiviert sein
ITALIANO
- Con un gruppo frigorifero, il START-STOP deve essere disattivato
ENGLISH
With a refrigeration unit, START-STOP must be deactivated
FRANCAIS
- Avec un groupe frigorifique, le START-STOP doit être désactivé
DEUTSCH
- Mit ein Kühlanlage, START-STOP muss deaktiviert sein
ITALIANO
- Con un gruppo frigorifero, il START-STOP deve essere disattivato
ENGLISH
With a refrigeration unit, START-STOP must be deactivated
Designazione
Kit motore
Specificazioni
SD5H14 / SD5L14SD7H15 / SD7L15
QP-13 / TM-13
QP-15 / TM-15
QP-16 / TM-16
Numero OEM
---
Applicazioni (sintesi)
RENAULT . . . Midlum . . . 01.00 > 05.13
. . . . . . . . . . . . . 135.08, 135.09 . . . Engine MIDR 04.02.26 A/4 . . . 4 / 4100 cm³ . . . 136 HP . . . 01.00 - 10.01
. . . . . . . . . . . . . 150.08, 150.09 . . . Engine MIDR 04.02.26 B/4 . . . 4 / 4100 cm³ . . . 150 HP . . . 01.00 - 10.01
For vehicles with crankshaft pulley with 3 grooves RVI 5000691024 and a fan washer RVI 5010258230
With or without A/C
RENAULT . . . Midlum . . . 01.00 > 05.13
. . . . . . . . . . . . . 135.08, 135.09 . . . Engine MIDR 04.02.26 A/4 . . . 4 / 4100 cm³ . . . 136 HP . . . 01.00 - 10.01
. . . . . . . . . . . . . 150.08, 150.09 . . . Engine MIDR 04.02.26 B/4 . . . 4 / 4100 cm³ . . . 150 HP . . . 01.00 - 10.01
For vehicles with crankshaft pulley with 3 grooves RVI 5000691024 and a fan washer RVI 5010258230
With or without A/C
Designazione
Kit motore
Specificazioni
QP-08 / TM-08QP-13 / TM-13
QP-15 / TM-15
QP-16 / TM-16
Numero OEM
---
Applicazioni (sintesi)
RENAULT . . . Midlum . . . 01.00 > 05.13
. . . . . . . . . . . . . 180 . . . Engine MIDR 06.02.26 V/4 . . . 6 / 6177 cm³ . . . 180 HP . . . 01.00 - 10.01
. . . . . . . . . . . . . 210 . . . Engine MIDR 06.02.26 W/4 . . . 6 / 6177 cm³ . . . 210 HP . . . 01.00 - 10.01
. . . . . . . . . . . . . 250 . . . Engine MIDR 06.02.26 Y/4 . . . 6 / 6177 cm³ . . . 250 HP . . . 01.00 - 10.01
For vehicles with crankshaft pulley with 3 grooves RVI 5000691024 and a fan washer RVI 5010258230
With or without A/C
RENAULT . . . Midlum . . . 01.00 > 05.13
. . . . . . . . . . . . . 180 . . . Engine MIDR 06.02.26 V/4 . . . 6 / 6177 cm³ . . . 180 HP . . . 01.00 - 10.01
. . . . . . . . . . . . . 210 . . . Engine MIDR 06.02.26 W/4 . . . 6 / 6177 cm³ . . . 210 HP . . . 01.00 - 10.01
. . . . . . . . . . . . . 250 . . . Engine MIDR 06.02.26 Y/4 . . . 6 / 6177 cm³ . . . 250 HP . . . 01.00 - 10.01
For vehicles with crankshaft pulley with 3 grooves RVI 5000691024 and a fan washer RVI 5010258230
With or without A/C
Designazione
Kit motore
Specificazioni
QP-08 / TM-08
Numero OEM
---
Applicazioni (sintesi)
RENAULT . . . Midlum . . . 01.00 > 05.13
. . . . . . . . . . . . . 135.08, 135.09 . . . Engine MIDR 04.02.26 A/4 . . . 4 / 4120 cm³ . . . 136 HP . . . 01.00 - 10.01
. . . . . . . . . . . . . 150.08, 150.09 . . . Engine MIDR 04.02.26 B/4 . . . 4 / 4120 cm³ . . . 150 HP . . . 01.00 - 10.01
. . . . . . . . . . . . . 150 dCi . . . Engine dCi 4B [Euro III] . . . 4 / 4120 cm³ . . . 152 HP . . . 10.01 - 05.06
. . . . . . . . . . . . . 180 dCi . . . Engine dCi 4C [Euro III] . . . 4 / 4120 cm³ . . . 174 HP . . . 10.01 - 05.06
For vehicles with crankshaft pulley with 3 grooves RVI 5000691024 and a fan washer RVI 5010258230 (until 05.2003)
For vehicles prepared (from 06.2003)
With or without A/C
RENAULT . . . Midlum . . . 01.00 > 05.13
. . . . . . . . . . . . . 135.08, 135.09 . . . Engine MIDR 04.02.26 A/4 . . . 4 / 4120 cm³ . . . 136 HP . . . 01.00 - 10.01
. . . . . . . . . . . . . 150.08, 150.09 . . . Engine MIDR 04.02.26 B/4 . . . 4 / 4120 cm³ . . . 150 HP . . . 01.00 - 10.01
. . . . . . . . . . . . . 150 dCi . . . Engine dCi 4B [Euro III] . . . 4 / 4120 cm³ . . . 152 HP . . . 10.01 - 05.06
. . . . . . . . . . . . . 180 dCi . . . Engine dCi 4C [Euro III] . . . 4 / 4120 cm³ . . . 174 HP . . . 10.01 - 05.06
For vehicles with crankshaft pulley with 3 grooves RVI 5000691024 and a fan washer RVI 5010258230 (until 05.2003)
For vehicles prepared (from 06.2003)
With or without A/C
Designazione
Kit motore
Specificazioni
QP-13 / TM-13QP-15 / TM-15
QP-16 / TM-16
Numero OEM
---
Applicazioni (sintesi)
RENAULT . . . Midlum . . . 01.00 > 05.13
. . . . . . . . . . . . . 220 dCi . . . Engine dCi 6W [Euro III] . . . 6 / 6177 cm³ . . . 215 HP . . . 10.01 - 05.06
. . . . . . . . . . . . . 270 dCi . . . Engine dCi 6A [Euro III] . . . 6 / 6177 cm³ . . . 265 HP . . . 10.01 - 05.06
For vehicles with RVI option ''18402'' (Pulley with 3 grooves (RVI 05403) and pulley with 2 grooves (RVI 73410))
With or without A/C
RENAULT . . . Midlum . . . 01.00 > 05.13
. . . . . . . . . . . . . 220 dCi . . . Engine dCi 6W [Euro III] . . . 6 / 6177 cm³ . . . 215 HP . . . 10.01 - 05.06
. . . . . . . . . . . . . 270 dCi . . . Engine dCi 6A [Euro III] . . . 6 / 6177 cm³ . . . 265 HP . . . 10.01 - 05.06
For vehicles with RVI option ''18402'' (Pulley with 3 grooves (RVI 05403) and pulley with 2 grooves (RVI 73410))
With or without A/C
Designazione
Kit motore
Specificazioni
QP-13 / TM-13QP-15 / TM-15
QP-16 / TM-16
Numero OEM
---
Applicazioni (sintesi)
RENAULT . . . Midlum . . . 01.00 > 05.13
. . . . . . . . . . . . . 135.08, 135.09 . . . Engine MIDR 04.02.26 A/4 . . . 4 / 4120 cm³ . . . 136 HP . . . 01.00 - 10.01
. . . . . . . . . . . . . 150.08, 150.09 . . . Engine MIDR 04.02.26 B/4 . . . 4 / 4120 cm³ . . . 150 HP . . . 01.00 - 10.01
. . . . . . . . . . . . . 150 dCi . . . Engine dCi 4B [Euro III] . . . 4 / 4120 cm³ . . . 152 HP . . . 10.01 - 05.06
. . . . . . . . . . . . . 180 dCi . . . Engine dCi 4CB [Euro III] . . . 4 / 4120 cm³ . . . 174 HP . . . 10.01 - 05.06
For vehicles with crankshaft pulley with 3 grooves RVI 5000691024 and a fan washer RVI 5010258230 (until 05.2003)
For vehicles prepared (from 06.2003)
Without A/C
RENAULT . . . Midlum . . . 01.00 > 05.13
. . . . . . . . . . . . . 135.08, 135.09 . . . Engine MIDR 04.02.26 A/4 . . . 4 / 4120 cm³ . . . 136 HP . . . 01.00 - 10.01
. . . . . . . . . . . . . 150.08, 150.09 . . . Engine MIDR 04.02.26 B/4 . . . 4 / 4120 cm³ . . . 150 HP . . . 01.00 - 10.01
. . . . . . . . . . . . . 150 dCi . . . Engine dCi 4B [Euro III] . . . 4 / 4120 cm³ . . . 152 HP . . . 10.01 - 05.06
. . . . . . . . . . . . . 180 dCi . . . Engine dCi 4CB [Euro III] . . . 4 / 4120 cm³ . . . 174 HP . . . 10.01 - 05.06
For vehicles with crankshaft pulley with 3 grooves RVI 5000691024 and a fan washer RVI 5010258230 (until 05.2003)
For vehicles prepared (from 06.2003)
Without A/C
Designazione
Kit motore
Specificazioni
SD5H14 / SD5L14SD7H15 / SD7L15
QP-13 / TM-13
QP-15 / TM-15
QP-16 / TM-16
Numero OEM
---
Applicazioni (sintesi)
RENAULT . . . Midlum . . . 01.00 > 05.13
. . . . . . . . . . . . . 160 DXi . . . Engine DXi 5 [Euro IV] . . . 4 / 4761 cm³ . . . 160 HP . . . 05.06 - 09.10
. . . . . . . . . . . . . 180 DXi . . . Engine DXi 5 [Euro V] . . . 4 / 4761 cm³ . . . 185 HP . . . 09.10 -
. . . . . . . . . . . . . 190 DXi . . . Engine DXi 5 [Euro IV] . . . 4 / 4761 cm³ . . . 190 HP . . . 05.06 - 09.10
. . . . . . . . . . . . . 220 DXi . . . Engine DXi 5 [Euro IV] . . . 4 / 4761 cm³ . . . 220 HP . . . 05.06 - 09.10
. . . . . . . . . . . . . 220 DXi . . . Engine DXi 5 [Euro V] . . . 4 / 4761 cm³ . . . 220 HP . . . 09.10 -
. . . . . . . . . . . . . 240 DXi . . . Engine DXi 7 [Euro IV] . . . 6 / 7142 cm³ . . . 240 HP . . . 05.06 - 09.10
. . . . . . . . . . . . . 270 DXi . . . Engine DXi 7 [Euro V] . . . 6 / 7142 cm³ . . . 271 HP . . . 09.10 -
. . . . . . . . . . . . . 280 DXi . . . Engine DXi 7 [Euro IV] . . . 6 / 7142 cm³ . . . 280 HP . . . 05.06 - 09.10
. . . . . . . . . . . . . 300 DXi . . . Engine DXi 7 [Euro V] . . . 6 / 7142 cm³ . . . 300 HP . . . 09.10 -
For vehicles with RVI option ''1EZ02E'' (Added pulley with 2B grooves)
With or without A/C
RENAULT . . . Midlum . . . 01.00 > 05.13
. . . . . . . . . . . . . 160 DXi . . . Engine DXi 5 [Euro IV] . . . 4 / 4761 cm³ . . . 160 HP . . . 05.06 - 09.10
. . . . . . . . . . . . . 180 DXi . . . Engine DXi 5 [Euro V] . . . 4 / 4761 cm³ . . . 185 HP . . . 09.10 -
. . . . . . . . . . . . . 190 DXi . . . Engine DXi 5 [Euro IV] . . . 4 / 4761 cm³ . . . 190 HP . . . 05.06 - 09.10
. . . . . . . . . . . . . 220 DXi . . . Engine DXi 5 [Euro IV] . . . 4 / 4761 cm³ . . . 220 HP . . . 05.06 - 09.10
. . . . . . . . . . . . . 220 DXi . . . Engine DXi 5 [Euro V] . . . 4 / 4761 cm³ . . . 220 HP . . . 09.10 -
. . . . . . . . . . . . . 240 DXi . . . Engine DXi 7 [Euro IV] . . . 6 / 7142 cm³ . . . 240 HP . . . 05.06 - 09.10
. . . . . . . . . . . . . 270 DXi . . . Engine DXi 7 [Euro V] . . . 6 / 7142 cm³ . . . 271 HP . . . 09.10 -
. . . . . . . . . . . . . 280 DXi . . . Engine DXi 7 [Euro IV] . . . 6 / 7142 cm³ . . . 280 HP . . . 05.06 - 09.10
. . . . . . . . . . . . . 300 DXi . . . Engine DXi 7 [Euro V] . . . 6 / 7142 cm³ . . . 300 HP . . . 09.10 -
For vehicles with RVI option ''1EZ02E'' (Added pulley with 2B grooves)
With or without A/C
Designazione
Kit motore
Specificazioni
TK-312TK-315
Numero OEM
---
Applicazioni (sintesi)
RENAULT . . . Midlum . . . 01.00 > 05.13
. . . . . . . . . . . . . 160 DXi . . . Engine DXi 5 [Euro IV] . . . 4 / 4761 cm³ . . . 160 HP . . . 05.06 - 09.10
. . . . . . . . . . . . . 180 DXi . . . Engine DXi 5 [Euro V] . . . 4 / 4761 cm³ . . . 185 HP . . . 09.10 -
. . . . . . . . . . . . . 190 DXi . . . Engine DXi 5 [Euro IV] . . . 4 / 4761 cm³ . . . 190 HP . . . 05.06 - 09.10
. . . . . . . . . . . . . 220 DXi . . . Engine DXi 5 [Euro IV] . . . 4 / 4761 cm³ . . . 220 HP . . . 05.06 - 09.10
. . . . . . . . . . . . . 220 DXi . . . Engine DXi 5 [Euro V] . . . 4 / 4761 cm³ . . . 220 HP . . . 09.10 -
. . . . . . . . . . . . . 240 DXi . . . Engine DXi 7 [Euro IV] . . . 6 / 7142 cm³ . . . 240 HP . . . 05.06 - 09.10
. . . . . . . . . . . . . 270 DXi . . . Engine DXi 7 [Euro V] . . . 6 / 7142 cm³ . . . 271 HP . . . 09.10 -
. . . . . . . . . . . . . 280 DXi . . . Engine DXi 7 [Euro IV] . . . 6 / 7142 cm³ . . . 280 HP . . . 05.06 - 09.10
. . . . . . . . . . . . . 300 DXi . . . Engine DXi 7 [Euro V] . . . 6 / 7142 cm³ . . . 300 HP . . . 09.10 -
For vehicles with RVI option ''1EZ02E'' (Added pulley with 2B grooves)
With or without A/C
RENAULT . . . Midlum . . . 01.00 > 05.13
. . . . . . . . . . . . . 160 DXi . . . Engine DXi 5 [Euro IV] . . . 4 / 4761 cm³ . . . 160 HP . . . 05.06 - 09.10
. . . . . . . . . . . . . 180 DXi . . . Engine DXi 5 [Euro V] . . . 4 / 4761 cm³ . . . 185 HP . . . 09.10 -
. . . . . . . . . . . . . 190 DXi . . . Engine DXi 5 [Euro IV] . . . 4 / 4761 cm³ . . . 190 HP . . . 05.06 - 09.10
. . . . . . . . . . . . . 220 DXi . . . Engine DXi 5 [Euro IV] . . . 4 / 4761 cm³ . . . 220 HP . . . 05.06 - 09.10
. . . . . . . . . . . . . 220 DXi . . . Engine DXi 5 [Euro V] . . . 4 / 4761 cm³ . . . 220 HP . . . 09.10 -
. . . . . . . . . . . . . 240 DXi . . . Engine DXi 7 [Euro IV] . . . 6 / 7142 cm³ . . . 240 HP . . . 05.06 - 09.10
. . . . . . . . . . . . . 270 DXi . . . Engine DXi 7 [Euro V] . . . 6 / 7142 cm³ . . . 271 HP . . . 09.10 -
. . . . . . . . . . . . . 280 DXi . . . Engine DXi 7 [Euro IV] . . . 6 / 7142 cm³ . . . 280 HP . . . 05.06 - 09.10
. . . . . . . . . . . . . 300 DXi . . . Engine DXi 7 [Euro V] . . . 6 / 7142 cm³ . . . 300 HP . . . 09.10 -
For vehicles with RVI option ''1EZ02E'' (Added pulley with 2B grooves)
With or without A/C
Designazione
BOLLETTINO TECNICO
Specificazioni
---
Numero OEM
---
Applicazioni (sintesi)
Designazione
Kit motore
Specificazioni
SD5H14 / SD5L14SD7H15 / SD7L15
QP-13 / TM-13
QP-15 / TM-15
QP-16 / TM-16
Numero OEM
---
Applicazioni (sintesi)
RENAULT . . . Midlum . . . 01.00 > 05.13
. . . . . . . . . . . . . 135.08, 135.09 . . . Engine MIDR 04.02.26 A/4 . . . 4 / 4120 cm³ . . . 136 HP . . . 01.00 - 10.01
. . . . . . . . . . . . . 150.08, 150.09 . . . Engine MIDR 04.02.26 B/4 . . . 4 / 4120 cm³ . . . 150 HP . . . 01.00 - 10.01
. . . . . . . . . . . . . 150 dCi . . . Engine dCi 4B [Euro III] . . . 4 / 4120 cm³ . . . 152 HP . . . 10.01 - 05.06
. . . . . . . . . . . . . 180 dCi . . . Engine dCi 4CB [Euro III] . . . 4 / 4120 cm³ . . . 174 HP . . . 10.01 - 05.06
For vehicles with crankshaft pulley with 3 grooves RVI 5000691024 and a fan washer RVI 5010258230 (until 05.2003)
For vehicles prepared (from 06.2003)
Without A/C
RENAULT . . . Midlum . . . 01.00 > 05.13
. . . . . . . . . . . . . 135.08, 135.09 . . . Engine MIDR 04.02.26 A/4 . . . 4 / 4120 cm³ . . . 136 HP . . . 01.00 - 10.01
. . . . . . . . . . . . . 150.08, 150.09 . . . Engine MIDR 04.02.26 B/4 . . . 4 / 4120 cm³ . . . 150 HP . . . 01.00 - 10.01
. . . . . . . . . . . . . 150 dCi . . . Engine dCi 4B [Euro III] . . . 4 / 4120 cm³ . . . 152 HP . . . 10.01 - 05.06
. . . . . . . . . . . . . 180 dCi . . . Engine dCi 4CB [Euro III] . . . 4 / 4120 cm³ . . . 174 HP . . . 10.01 - 05.06
For vehicles with crankshaft pulley with 3 grooves RVI 5000691024 and a fan washer RVI 5010258230 (until 05.2003)
For vehicles prepared (from 06.2003)
Without A/C
Designazione
Kit motore
Specificazioni
SD5H14 / SD5L14SD7H15 / SD7L15
QP-13 / TM-13
QP-15 / TM-15
QP-16 / TM-16
Numero OEM
---
Applicazioni (sintesi)
RENAULT . . . Midlum . . . 01.00 > 05.13
. . . . . . . . . . . . . 220 dCi . . . Engine dCi 6W [Euro III] . . . 6 / 6177 cm³ . . . 215 HP . . . 10.01 - 05.06
. . . . . . . . . . . . . 270 dCi . . . Engine dCi 6A [Euro III] . . . 6 / 6177 cm³ . . . 265 HP . . . 10.01 - 05.06
For vehicles with RVI option ''18402'' (Pulley with 3 grooves (RVI 05403) and pulley with 2 grooves (RVI 73410))
Without A/C
RENAULT . . . Midlum . . . 01.00 > 05.13
. . . . . . . . . . . . . 220 dCi . . . Engine dCi 6W [Euro III] . . . 6 / 6177 cm³ . . . 215 HP . . . 10.01 - 05.06
. . . . . . . . . . . . . 270 dCi . . . Engine dCi 6A [Euro III] . . . 6 / 6177 cm³ . . . 265 HP . . . 10.01 - 05.06
For vehicles with RVI option ''18402'' (Pulley with 3 grooves (RVI 05403) and pulley with 2 grooves (RVI 73410))
Without A/C
Designazione
Kit motore
Specificazioni
SD5H14 / SD5L14SD7H15 / SD7L15
QP-13 / TM-13
QP-15 / TM-15
QP-16 / TM-16
Numero OEM
---
Applicazioni (sintesi)
RENAULT . . . Midlum . . . 01.00 > 05.13
. . . . . . . . . . . . . 160 DXi . . . Engine DXi 5 [Euro IV] . . . 4 / 4761 cm³ . . . 160 HP . . . 05.06 - 09.10
. . . . . . . . . . . . . 180 DXi . . . Engine DXi 5 [Euro V] . . . 4 / 4761 cm³ . . . 185 HP . . . 09.10 -
. . . . . . . . . . . . . 190 DXi . . . Engine DXi 5 [Euro IV] . . . 4 / 4761 cm³ . . . 190 HP . . . 05.06 - 09.10
. . . . . . . . . . . . . 220 DXi . . . Engine DXi 5 [Euro IV] . . . 4 / 4761 cm³ . . . 220 HP . . . 05.06 - 09.10
. . . . . . . . . . . . . 220 DXi . . . Engine DXi 5 [Euro V] . . . 4 / 4761 cm³ . . . 220 HP . . . 09.10 -
. . . . . . . . . . . . . 240 DXi . . . Engine DXi 7 [Euro IV] . . . 6 / 7142 cm³ . . . 240 HP . . . 05.06 - 09.10
. . . . . . . . . . . . . 270 DXi . . . Engine DXi 7 [Euro V] . . . 6 / 7142 cm³ . . . 271 HP . . . 09.10 -
. . . . . . . . . . . . . 280 DXi . . . Engine DXi 7 [Euro IV] . . . 6 / 7142 cm³ . . . 280 HP . . . 05.06 - 09.10
. . . . . . . . . . . . . 300 DXi . . . Engine DXi 7 [Euro V] . . . 6 / 7142 cm³ . . . 300 HP . . . 09.10 -
For vehicles without RVI option ''1EZ02E'' (Added pulley with 2B grooves)
Water hose must be 74 82 241 760
With or without A/C
RENAULT . . . Midlum . . . 01.00 > 05.13
. . . . . . . . . . . . . 160 DXi . . . Engine DXi 5 [Euro IV] . . . 4 / 4761 cm³ . . . 160 HP . . . 05.06 - 09.10
. . . . . . . . . . . . . 180 DXi . . . Engine DXi 5 [Euro V] . . . 4 / 4761 cm³ . . . 185 HP . . . 09.10 -
. . . . . . . . . . . . . 190 DXi . . . Engine DXi 5 [Euro IV] . . . 4 / 4761 cm³ . . . 190 HP . . . 05.06 - 09.10
. . . . . . . . . . . . . 220 DXi . . . Engine DXi 5 [Euro IV] . . . 4 / 4761 cm³ . . . 220 HP . . . 05.06 - 09.10
. . . . . . . . . . . . . 220 DXi . . . Engine DXi 5 [Euro V] . . . 4 / 4761 cm³ . . . 220 HP . . . 09.10 -
. . . . . . . . . . . . . 240 DXi . . . Engine DXi 7 [Euro IV] . . . 6 / 7142 cm³ . . . 240 HP . . . 05.06 - 09.10
. . . . . . . . . . . . . 270 DXi . . . Engine DXi 7 [Euro V] . . . 6 / 7142 cm³ . . . 271 HP . . . 09.10 -
. . . . . . . . . . . . . 280 DXi . . . Engine DXi 7 [Euro IV] . . . 6 / 7142 cm³ . . . 280 HP . . . 05.06 - 09.10
. . . . . . . . . . . . . 300 DXi . . . Engine DXi 7 [Euro V] . . . 6 / 7142 cm³ . . . 300 HP . . . 09.10 -
For vehicles without RVI option ''1EZ02E'' (Added pulley with 2B grooves)
Water hose must be 74 82 241 760
With or without A/C
Designazione
Kit motore
Specificazioni
SD5H14 / SD5L14SD7H15 / SD7L15
QP-13 / TM-13
QP-15 / TM-15
QP-16 / TM-16
Numero OEM
---
Applicazioni (sintesi)
RENAULT . . . Midlum . . . 01.00 > 05.13
. . . . . . . . . . . . . 160 DXi . . . Engine DXi 5 [Euro IV] . . . 4 / 4761 cm³ . . . 160 HP . . . 05.06 - 09.10
. . . . . . . . . . . . . 180 DXi . . . Engine DXi 5 [Euro V] . . . 4 / 4761 cm³ . . . 185 HP . . . 09.10 -
. . . . . . . . . . . . . 190 DXi . . . Engine DXi 5 [Euro IV] . . . 4 / 4761 cm³ . . . 190 HP . . . 05.06 - 09.10
. . . . . . . . . . . . . 220 DXi . . . Engine DXi 5 [Euro IV] . . . 4 / 4761 cm³ . . . 220 HP . . . 05.06 - 09.10
. . . . . . . . . . . . . 220 DXi . . . Engine DXi 5 [Euro V] . . . 4 / 4761 cm³ . . . 220 HP . . . 09.10 -
. . . . . . . . . . . . . 240 DXi . . . Engine DXi 7 [Euro IV] . . . 6 / 7142 cm³ . . . 240 HP . . . 05.06 - 09.10
. . . . . . . . . . . . . 270 DXi . . . Engine DXi 7 [Euro V] . . . 6 / 7142 cm³ . . . 271 HP . . . 09.10 -
. . . . . . . . . . . . . 280 DXi . . . Engine DXi 7 [Euro IV] . . . 6 / 7142 cm³ . . . 280 HP . . . 05.06 - 09.10
. . . . . . . . . . . . . 300 DXi . . . Engine DXi 7 [Euro V] . . . 6 / 7142 cm³ . . . 300 HP . . . 09.10 -
For vehicles with RVI option ''1EZ02E'' (Added pulley with 2B grooves)
Water hose must be 74 82 241 760
With or without A/C
RENAULT . . . Midlum . . . 01.00 > 05.13
. . . . . . . . . . . . . 160 DXi . . . Engine DXi 5 [Euro IV] . . . 4 / 4761 cm³ . . . 160 HP . . . 05.06 - 09.10
. . . . . . . . . . . . . 180 DXi . . . Engine DXi 5 [Euro V] . . . 4 / 4761 cm³ . . . 185 HP . . . 09.10 -
. . . . . . . . . . . . . 190 DXi . . . Engine DXi 5 [Euro IV] . . . 4 / 4761 cm³ . . . 190 HP . . . 05.06 - 09.10
. . . . . . . . . . . . . 220 DXi . . . Engine DXi 5 [Euro IV] . . . 4 / 4761 cm³ . . . 220 HP . . . 05.06 - 09.10
. . . . . . . . . . . . . 220 DXi . . . Engine DXi 5 [Euro V] . . . 4 / 4761 cm³ . . . 220 HP . . . 09.10 -
. . . . . . . . . . . . . 240 DXi . . . Engine DXi 7 [Euro IV] . . . 6 / 7142 cm³ . . . 240 HP . . . 05.06 - 09.10
. . . . . . . . . . . . . 270 DXi . . . Engine DXi 7 [Euro V] . . . 6 / 7142 cm³ . . . 271 HP . . . 09.10 -
. . . . . . . . . . . . . 280 DXi . . . Engine DXi 7 [Euro IV] . . . 6 / 7142 cm³ . . . 280 HP . . . 05.06 - 09.10
. . . . . . . . . . . . . 300 DXi . . . Engine DXi 7 [Euro V] . . . 6 / 7142 cm³ . . . 300 HP . . . 09.10 -
For vehicles with RVI option ''1EZ02E'' (Added pulley with 2B grooves)
Water hose must be 74 82 241 760
With or without A/C
Designazione
Kit motore
Specificazioni
QP-21 / TM-21
Numero OEM
---
Applicazioni (sintesi)
RENAULT . . . Midlum . . . 01.00 > 05.13
. . . . . . . . . . . . . 160 DXi . . . Engine DXi 5 [Euro IV] . . . 4 / 4761 cm³ . . . 160 HP . . . 05.06 - 09.10
. . . . . . . . . . . . . 180 DXi . . . Engine DXi 5 [Euro V] . . . 4 / 4761 cm³ . . . 185 HP . . . 09.10 -
. . . . . . . . . . . . . 190 DXi . . . Engine DXi 5 [Euro IV] . . . 4 / 4761 cm³ . . . 190 HP . . . 05.06 - 09.10
. . . . . . . . . . . . . 220 DXi . . . Engine DXi 5 [Euro IV] . . . 4 / 4761 cm³ . . . 220 HP . . . 05.06 - 09.10
. . . . . . . . . . . . . 220 DXi . . . Engine DXi 5 [Euro V] . . . 4 / 4761 cm³ . . . 220 HP . . . 09.10 -
. . . . . . . . . . . . . 240 DXi . . . Engine DXi 7 [Euro IV] . . . 6 / 7142 cm³ . . . 240 HP . . . 05.06 - 09.10
. . . . . . . . . . . . . 270 DXi . . . Engine DXi 7 [Euro V] . . . 6 / 7142 cm³ . . . 271 HP . . . 09.10 -
. . . . . . . . . . . . . 280 DXi . . . Engine DXi 7 [Euro IV] . . . 6 / 7142 cm³ . . . 280 HP . . . 05.06 - 09.10
. . . . . . . . . . . . . 300 DXi . . . Engine DXi 7 [Euro V] . . . 6 / 7142 cm³ . . . 300 HP . . . 09.10 -
For vehicles with RVI option ''1EZ02E'' (Added pulley with 2B grooves)
Water hose must be 74 82 241 760
With or without A/C
RENAULT . . . Midlum . . . 01.00 > 05.13
. . . . . . . . . . . . . 160 DXi . . . Engine DXi 5 [Euro IV] . . . 4 / 4761 cm³ . . . 160 HP . . . 05.06 - 09.10
. . . . . . . . . . . . . 180 DXi . . . Engine DXi 5 [Euro V] . . . 4 / 4761 cm³ . . . 185 HP . . . 09.10 -
. . . . . . . . . . . . . 190 DXi . . . Engine DXi 5 [Euro IV] . . . 4 / 4761 cm³ . . . 190 HP . . . 05.06 - 09.10
. . . . . . . . . . . . . 220 DXi . . . Engine DXi 5 [Euro IV] . . . 4 / 4761 cm³ . . . 220 HP . . . 05.06 - 09.10
. . . . . . . . . . . . . 220 DXi . . . Engine DXi 5 [Euro V] . . . 4 / 4761 cm³ . . . 220 HP . . . 09.10 -
. . . . . . . . . . . . . 240 DXi . . . Engine DXi 7 [Euro IV] . . . 6 / 7142 cm³ . . . 240 HP . . . 05.06 - 09.10
. . . . . . . . . . . . . 270 DXi . . . Engine DXi 7 [Euro V] . . . 6 / 7142 cm³ . . . 271 HP . . . 09.10 -
. . . . . . . . . . . . . 280 DXi . . . Engine DXi 7 [Euro IV] . . . 6 / 7142 cm³ . . . 280 HP . . . 05.06 - 09.10
. . . . . . . . . . . . . 300 DXi . . . Engine DXi 7 [Euro V] . . . 6 / 7142 cm³ . . . 300 HP . . . 09.10 -
For vehicles with RVI option ''1EZ02E'' (Added pulley with 2B grooves)
Water hose must be 74 82 241 760
With or without A/C
Designazione
Kit motore
Specificazioni
CR2318CR2323
Numero OEM
---
Applicazioni (sintesi)
RENAULT . . . Midlum . . . 01.00 > 05.13
. . . . . . . . . . . . . 160 DXi . . . Engine DXi 5 [Euro IV] . . . 4 / 4761 cm³ . . . 160 HP . . . 05.06 - 09.10
. . . . . . . . . . . . . 180 DXi . . . Engine DXi 5 [Euro V] . . . 4 / 4761 cm³ . . . 185 HP . . . 09.10 -
. . . . . . . . . . . . . 190 DXi . . . Engine DXi 5 [Euro IV] . . . 4 / 4761 cm³ . . . 190 HP . . . 05.06 - 09.10
. . . . . . . . . . . . . 220 DXi . . . Engine DXi 5 [Euro IV] . . . 4 / 4761 cm³ . . . 220 HP . . . 05.06 - 09.10
. . . . . . . . . . . . . 220 DXi . . . Engine DXi 5 [Euro V] . . . 4 / 4761 cm³ . . . 220 HP . . . 09.10 -
. . . . . . . . . . . . . 240 DXi . . . Engine DXi 7 [Euro IV] . . . 6 / 7142 cm³ . . . 240 HP . . . 05.06 - 09.10
. . . . . . . . . . . . . 270 DXi . . . Engine DXi 7 [Euro V] . . . 6 / 7142 cm³ . . . 271 HP . . . 09.10 -
. . . . . . . . . . . . . 280 DXi . . . Engine DXi 7 [Euro IV] . . . 6 / 7142 cm³ . . . 280 HP . . . 05.06 - 09.10
. . . . . . . . . . . . . 300 DXi . . . Engine DXi 7 [Euro V] . . . 6 / 7142 cm³ . . . 300 HP . . . 09.10 -
For vehicles without RVI option ''1EZ02E'' (Added pulley with 2B grooves)
Water hose must be 74 82 241 760
With or without A/C
RENAULT . . . Midlum . . . 01.00 > 05.13
. . . . . . . . . . . . . 160 DXi . . . Engine DXi 5 [Euro IV] . . . 4 / 4761 cm³ . . . 160 HP . . . 05.06 - 09.10
. . . . . . . . . . . . . 180 DXi . . . Engine DXi 5 [Euro V] . . . 4 / 4761 cm³ . . . 185 HP . . . 09.10 -
. . . . . . . . . . . . . 190 DXi . . . Engine DXi 5 [Euro IV] . . . 4 / 4761 cm³ . . . 190 HP . . . 05.06 - 09.10
. . . . . . . . . . . . . 220 DXi . . . Engine DXi 5 [Euro IV] . . . 4 / 4761 cm³ . . . 220 HP . . . 05.06 - 09.10
. . . . . . . . . . . . . 220 DXi . . . Engine DXi 5 [Euro V] . . . 4 / 4761 cm³ . . . 220 HP . . . 09.10 -
. . . . . . . . . . . . . 240 DXi . . . Engine DXi 7 [Euro IV] . . . 6 / 7142 cm³ . . . 240 HP . . . 05.06 - 09.10
. . . . . . . . . . . . . 270 DXi . . . Engine DXi 7 [Euro V] . . . 6 / 7142 cm³ . . . 271 HP . . . 09.10 -
. . . . . . . . . . . . . 280 DXi . . . Engine DXi 7 [Euro IV] . . . 6 / 7142 cm³ . . . 280 HP . . . 05.06 - 09.10
. . . . . . . . . . . . . 300 DXi . . . Engine DXi 7 [Euro V] . . . 6 / 7142 cm³ . . . 300 HP . . . 09.10 -
For vehicles without RVI option ''1EZ02E'' (Added pulley with 2B grooves)
Water hose must be 74 82 241 760
With or without A/C
Designazione
Kit motore
Specificazioni
TK-312TK-315
Numero OEM
---
Applicazioni (sintesi)
RENAULT . . . Midlum . . . 01.00 > 05.13
. . . . . . . . . . . . . 160 DXi . . . Engine DXi 5 [Euro IV] . . . 4 / 4761 cm³ . . . 160 HP . . . 05.06 - 09.10
. . . . . . . . . . . . . 180 DXi . . . Engine DXi 5 [Euro V] . . . 4 / 4761 cm³ . . . 185 HP . . . 09.10 -
. . . . . . . . . . . . . 190 DXi . . . Engine DXi 5 [Euro IV] . . . 4 / 4761 cm³ . . . 190 HP . . . 05.06 - 09.10
. . . . . . . . . . . . . 220 DXi . . . Engine DXi 5 [Euro IV] . . . 4 / 4761 cm³ . . . 220 HP . . . 05.06 - 09.10
. . . . . . . . . . . . . 220 DXi . . . Engine DXi 5 [Euro V] . . . 4 / 4761 cm³ . . . 220 HP . . . 09.10 -
. . . . . . . . . . . . . 240 DXi . . . Engine DXi 7 [Euro IV] . . . 6 / 7142 cm³ . . . 240 HP . . . 05.06 - 09.10
. . . . . . . . . . . . . 270 DXi . . . Engine DXi 7 [Euro V] . . . 6 / 7142 cm³ . . . 271 HP . . . 09.10 -
. . . . . . . . . . . . . 280 DXi . . . Engine DXi 7 [Euro IV] . . . 6 / 7142 cm³ . . . 280 HP . . . 05.06 - 09.10
. . . . . . . . . . . . . 300 DXi . . . Engine DXi 7 [Euro V] . . . 6 / 7142 cm³ . . . 300 HP . . . 09.10 -
For vehicles without RVI option ''1EZ02E'' (Added pulley with 2B grooves)
Water hose must be 74 82 241 760
With or without A/C
RENAULT . . . Midlum . . . 01.00 > 05.13
. . . . . . . . . . . . . 160 DXi . . . Engine DXi 5 [Euro IV] . . . 4 / 4761 cm³ . . . 160 HP . . . 05.06 - 09.10
. . . . . . . . . . . . . 180 DXi . . . Engine DXi 5 [Euro V] . . . 4 / 4761 cm³ . . . 185 HP . . . 09.10 -
. . . . . . . . . . . . . 190 DXi . . . Engine DXi 5 [Euro IV] . . . 4 / 4761 cm³ . . . 190 HP . . . 05.06 - 09.10
. . . . . . . . . . . . . 220 DXi . . . Engine DXi 5 [Euro IV] . . . 4 / 4761 cm³ . . . 220 HP . . . 05.06 - 09.10
. . . . . . . . . . . . . 220 DXi . . . Engine DXi 5 [Euro V] . . . 4 / 4761 cm³ . . . 220 HP . . . 09.10 -
. . . . . . . . . . . . . 240 DXi . . . Engine DXi 7 [Euro IV] . . . 6 / 7142 cm³ . . . 240 HP . . . 05.06 - 09.10
. . . . . . . . . . . . . 270 DXi . . . Engine DXi 7 [Euro V] . . . 6 / 7142 cm³ . . . 271 HP . . . 09.10 -
. . . . . . . . . . . . . 280 DXi . . . Engine DXi 7 [Euro IV] . . . 6 / 7142 cm³ . . . 280 HP . . . 05.06 - 09.10
. . . . . . . . . . . . . 300 DXi . . . Engine DXi 7 [Euro V] . . . 6 / 7142 cm³ . . . 300 HP . . . 09.10 -
For vehicles without RVI option ''1EZ02E'' (Added pulley with 2B grooves)
Water hose must be 74 82 241 760
With or without A/C
Designazione
Kit motore
Specificazioni
CS90CS150
Numero OEM
---
Applicazioni (sintesi)
RENAULT . . . Midlum . . . 01.00 > 05.13
. . . . . . . . . . . . . 160 DXi . . . Engine DXi 5 [Euro IV] . . . 4 / 4761 cm³ . . . 160 HP . . . 05.06 - 09.10
. . . . . . . . . . . . . 180 DXi . . . Engine DXi 5 [Euro V] . . . 4 / 4761 cm³ . . . 185 HP . . . 09.10 -
. . . . . . . . . . . . . 190 DXi . . . Engine DXi 5 [Euro IV] . . . 4 / 4761 cm³ . . . 190 HP . . . 05.06 - 09.10
. . . . . . . . . . . . . 220 DXi . . . Engine DXi 5 [Euro IV] . . . 4 / 4761 cm³ . . . 220 HP . . . 05.06 - 09.10
. . . . . . . . . . . . . 220 DXi . . . Engine DXi 5 [Euro V] . . . 4 / 4761 cm³ . . . 220 HP . . . 09.10 -
. . . . . . . . . . . . . 240 DXi . . . Engine DXi 7 [Euro IV] . . . 6 / 7142 cm³ . . . 240 HP . . . 05.06 - 09.10
. . . . . . . . . . . . . 270 DXi . . . Engine DXi 7 [Euro V] . . . 6 / 7142 cm³ . . . 271 HP . . . 09.10 -
. . . . . . . . . . . . . 280 DXi . . . Engine DXi 7 [Euro IV] . . . 6 / 7142 cm³ . . . 280 HP . . . 05.06 - 09.10
. . . . . . . . . . . . . 300 DXi . . . Engine DXi 7 [Euro V] . . . 6 / 7142 cm³ . . . 300 HP . . . 09.10 -
For vehicles without RVI option ''1EZ02E'' (Added pulley with 2B grooves)
Water hose must be 74 82 241 760
With or without A/C
RENAULT . . . Midlum . . . 01.00 > 05.13
. . . . . . . . . . . . . 160 DXi . . . Engine DXi 5 [Euro IV] . . . 4 / 4761 cm³ . . . 160 HP . . . 05.06 - 09.10
. . . . . . . . . . . . . 180 DXi . . . Engine DXi 5 [Euro V] . . . 4 / 4761 cm³ . . . 185 HP . . . 09.10 -
. . . . . . . . . . . . . 190 DXi . . . Engine DXi 5 [Euro IV] . . . 4 / 4761 cm³ . . . 190 HP . . . 05.06 - 09.10
. . . . . . . . . . . . . 220 DXi . . . Engine DXi 5 [Euro IV] . . . 4 / 4761 cm³ . . . 220 HP . . . 05.06 - 09.10
. . . . . . . . . . . . . 220 DXi . . . Engine DXi 5 [Euro V] . . . 4 / 4761 cm³ . . . 220 HP . . . 09.10 -
. . . . . . . . . . . . . 240 DXi . . . Engine DXi 7 [Euro IV] . . . 6 / 7142 cm³ . . . 240 HP . . . 05.06 - 09.10
. . . . . . . . . . . . . 270 DXi . . . Engine DXi 7 [Euro V] . . . 6 / 7142 cm³ . . . 271 HP . . . 09.10 -
. . . . . . . . . . . . . 280 DXi . . . Engine DXi 7 [Euro IV] . . . 6 / 7142 cm³ . . . 280 HP . . . 05.06 - 09.10
. . . . . . . . . . . . . 300 DXi . . . Engine DXi 7 [Euro V] . . . 6 / 7142 cm³ . . . 300 HP . . . 09.10 -
For vehicles without RVI option ''1EZ02E'' (Added pulley with 2B grooves)
Water hose must be 74 82 241 760
With or without A/C
Designazione
Kit motore
Specificazioni
QP-21 / TM-21
Numero OEM
---
Applicazioni (sintesi)
RENAULT . . . Midlum . . . 01.00 > 05.13
. . . . . . . . . . . . . 160 DXi . . . Engine DXi 5 [Euro IV] . . . 4 / 4761 cm³ . . . 160 HP . . . 05.06 - 09.10
. . . . . . . . . . . . . 180 DXi . . . Engine DXi 5 [Euro V] . . . 4 / 4761 cm³ . . . 185 HP . . . 09.10 -
. . . . . . . . . . . . . 190 DXi . . . Engine DXi 5 [Euro IV] . . . 4 / 4761 cm³ . . . 190 HP . . . 05.06 - 09.10
. . . . . . . . . . . . . 220 DXi . . . Engine DXi 5 [Euro IV] . . . 4 / 4761 cm³ . . . 220 HP . . . 05.06 - 09.10
. . . . . . . . . . . . . 220 DXi . . . Engine DXi 5 [Euro V] . . . 4 / 4761 cm³ . . . 220 HP . . . 09.10 -
. . . . . . . . . . . . . 240 DXi . . . Engine DXi 7 [Euro IV] . . . 6 / 7142 cm³ . . . 240 HP . . . 05.06 - 09.10
. . . . . . . . . . . . . 270 DXi . . . Engine DXi 7 [Euro V] . . . 6 / 7142 cm³ . . . 271 HP . . . 09.10 -
. . . . . . . . . . . . . 280 DXi . . . Engine DXi 7 [Euro IV] . . . 6 / 7142 cm³ . . . 280 HP . . . 05.06 - 09.10
. . . . . . . . . . . . . 300 DXi . . . Engine DXi 7 [Euro V] . . . 6 / 7142 cm³ . . . 300 HP . . . 09.10 -
Water hose must be 74 82 241 760
With or without A/C
RENAULT . . . Midlum . . . 01.00 > 05.13
. . . . . . . . . . . . . 160 DXi . . . Engine DXi 5 [Euro IV] . . . 4 / 4761 cm³ . . . 160 HP . . . 05.06 - 09.10
. . . . . . . . . . . . . 180 DXi . . . Engine DXi 5 [Euro V] . . . 4 / 4761 cm³ . . . 185 HP . . . 09.10 -
. . . . . . . . . . . . . 190 DXi . . . Engine DXi 5 [Euro IV] . . . 4 / 4761 cm³ . . . 190 HP . . . 05.06 - 09.10
. . . . . . . . . . . . . 220 DXi . . . Engine DXi 5 [Euro IV] . . . 4 / 4761 cm³ . . . 220 HP . . . 05.06 - 09.10
. . . . . . . . . . . . . 220 DXi . . . Engine DXi 5 [Euro V] . . . 4 / 4761 cm³ . . . 220 HP . . . 09.10 -
. . . . . . . . . . . . . 240 DXi . . . Engine DXi 7 [Euro IV] . . . 6 / 7142 cm³ . . . 240 HP . . . 05.06 - 09.10
. . . . . . . . . . . . . 270 DXi . . . Engine DXi 7 [Euro V] . . . 6 / 7142 cm³ . . . 271 HP . . . 09.10 -
. . . . . . . . . . . . . 280 DXi . . . Engine DXi 7 [Euro IV] . . . 6 / 7142 cm³ . . . 280 HP . . . 05.06 - 09.10
. . . . . . . . . . . . . 300 DXi . . . Engine DXi 7 [Euro V] . . . 6 / 7142 cm³ . . . 300 HP . . . 09.10 -
Water hose must be 74 82 241 760
With or without A/C
Designazione
Kit motore
Specificazioni
SD5H14 / SD5L14SD7H15 / SD7L15
QP-13 / TM-13
QP-15 / TM-15
QP-16 / TM-16
Numero OEM
---
Applicazioni (sintesi)
RENAULT . . . Midlum . . . 01.00 > 05.13
. . . . . . . . . . . . . 220 dCi . . . Engine dCi 6W [Euro III] . . . 6 / 6177 cm³ . . . 215 HP . . . 10.01 - 05.06
For vehicles with RVI option ''18402'' (Pulley with 3 grooves (RVI 05403) and pulley with 2 grooves (RVI 73410))
Without A/C
RENAULT . . . Midlum . . . 01.00 > 05.13
. . . . . . . . . . . . . 220 dCi . . . Engine dCi 6W [Euro III] . . . 6 / 6177 cm³ . . . 215 HP . . . 10.01 - 05.06
For vehicles with RVI option ''18402'' (Pulley with 3 grooves (RVI 05403) and pulley with 2 grooves (RVI 73410))
Without A/C
Designazione
Kit motore
Specificazioni
SD5H14 / SD5L14SD7H15 / SD7L15
QP-13 / TM-13
QP-15 / TM-15
QP-16 / TM-16
Numero OEM
---
Applicazioni (sintesi)
RENAULT . . . Midlum . . . 01.00 > 05.13
. . . . . . . . . . . . . 220 dCi . . . Engine dCi 6W [Euro III] . . . 6 / 6177 cm³ . . . 215 HP . . . 10.01 - 05.06
For vehicles without RVI option ''18402'' (Pulley with 3 grooves (RVI 05403) and pulley with 2 grooves (RVI 73410))
With A/C
RENAULT . . . Midlum . . . 01.00 > 05.13
. . . . . . . . . . . . . 220 dCi . . . Engine dCi 6W [Euro III] . . . 6 / 6177 cm³ . . . 215 HP . . . 10.01 - 05.06
For vehicles without RVI option ''18402'' (Pulley with 3 grooves (RVI 05403) and pulley with 2 grooves (RVI 73410))
With A/C
Designazione
Puleggia motore
Specificazioni
---
Numero OEM
---
Applicazioni (sintesi)
RENAULT . . . Midlum . . . 01.00 > 12.12
Used with kit 19_543_216
RENAULT . . . Midlum . . . 01.00 > 12.12
Used with kit 19_543_216
Designazione
Puleggia motore
Specificazioni
---
Numero OEM
---
Applicazioni (sintesi)
RENAULT . . . Midlum . . . 01.00 > 12.12
Used with kit 19_543_312
RENAULT . . . Midlum . . . 01.00 > 12.12
Used with kit 19_543_312
Designazione
Puleggia motore
Specificazioni
---
Numero OEM
---
Applicazioni (sintesi)
RENAULT . . . Midlum . . . 01.00 > 12.12
Used with kit 19_543_312
RENAULT . . . Midlum . . . 01.00 > 12.12
Used with kit 19_543_312
Designazione
Kit motore
Specificazioni
QP-13 / TM-13QP-15 / TM-15
QP-16 / TM-16
QP-21
TM-21
TK-312
Numero OEM
---
Applicazioni (sintesi)
RENAULT . . . Midlum . . . 01.00 > 05.13
. . . . . . . . . . . . . 160 DXi . . . Engine DXi 5 [Euro IV] . . . 4 / 4761 cm³ . . . 160 HP . . . 05.06 - 09.10
. . . . . . . . . . . . . 180 DXi . . . Engine DXi 5 [Euro V] . . . 4 / 4761 cm³ . . . 185 HP . . . 09.10 -
. . . . . . . . . . . . . 190 DXi . . . Engine DXi 5 [Euro IV] . . . 4 / 4761 cm³ . . . 190 HP . . . 05.06 - 09.10
. . . . . . . . . . . . . 220 DXi . . . Engine DXi 5 [Euro IV] . . . 4 / 4761 cm³ . . . 220 HP . . . 05.06 - 09.10
. . . . . . . . . . . . . 220 DXi . . . Engine DXi 5 [Euro V] . . . 4 / 4761 cm³ . . . 220 HP . . . 09.10 -
. . . . . . . . . . . . . 240 DXi . . . Engine DXi 7 [Euro IV] . . . 6 / 7142 cm³ . . . 240 HP . . . 05.06 - 09.10
. . . . . . . . . . . . . 270 DXi . . . Engine DXi 7 [Euro V] . . . 6 / 7142 cm³ . . . 271 HP . . . 09.10 -
. . . . . . . . . . . . . 280 DXi . . . Engine DXi 7 [Euro IV] . . . 6 / 7142 cm³ . . . 280 HP . . . 05.06 - 09.10
. . . . . . . . . . . . . 300 DXi . . . Engine DXi 7 [Euro V] . . . 6 / 7142 cm³ . . . 300 HP . . . 09.10 -
Crankshaft pulley 19 543 314 P not included, must be ordered separately
With or without A/C
RENAULT . . . Midlum . . . 01.00 > 05.13
. . . . . . . . . . . . . 160 DXi . . . Engine DXi 5 [Euro IV] . . . 4 / 4761 cm³ . . . 160 HP . . . 05.06 - 09.10
. . . . . . . . . . . . . 180 DXi . . . Engine DXi 5 [Euro V] . . . 4 / 4761 cm³ . . . 185 HP . . . 09.10 -
. . . . . . . . . . . . . 190 DXi . . . Engine DXi 5 [Euro IV] . . . 4 / 4761 cm³ . . . 190 HP . . . 05.06 - 09.10
. . . . . . . . . . . . . 220 DXi . . . Engine DXi 5 [Euro IV] . . . 4 / 4761 cm³ . . . 220 HP . . . 05.06 - 09.10
. . . . . . . . . . . . . 220 DXi . . . Engine DXi 5 [Euro V] . . . 4 / 4761 cm³ . . . 220 HP . . . 09.10 -
. . . . . . . . . . . . . 240 DXi . . . Engine DXi 7 [Euro IV] . . . 6 / 7142 cm³ . . . 240 HP . . . 05.06 - 09.10
. . . . . . . . . . . . . 270 DXi . . . Engine DXi 7 [Euro V] . . . 6 / 7142 cm³ . . . 271 HP . . . 09.10 -
. . . . . . . . . . . . . 280 DXi . . . Engine DXi 7 [Euro IV] . . . 6 / 7142 cm³ . . . 280 HP . . . 05.06 - 09.10
. . . . . . . . . . . . . 300 DXi . . . Engine DXi 7 [Euro V] . . . 6 / 7142 cm³ . . . 300 HP . . . 09.10 -
Crankshaft pulley 19 543 314 P not included, must be ordered separately
With or without A/C
Designazione
Kit motore
Specificazioni
QP-13 / TM-13QP-15 / TM-15
QP-16 / TM-16
Numero OEM
---
Applicazioni (sintesi)
RENAULT . . . Midlum . . . 01.00 > 05.13
. . . . . . . . . . . . . 150 dCi . . . Engine dCi 4B [Euro III] . . . 4 / 4120 cm³ . . . 152 HP . . . 10.01 - 05.06
. . . . . . . . . . . . . 180 dCi . . . Engine dCi 4C [Euro III] . . . 4 / 4120 cm³ . . . 174 HP . . . 10.01 - 05.06
For vehicles with RVI options ''05403'' & ''73410''
Without A/C
RENAULT . . . Midlum . . . 01.00 > 05.13
. . . . . . . . . . . . . 150 dCi . . . Engine dCi 4B [Euro III] . . . 4 / 4120 cm³ . . . 152 HP . . . 10.01 - 05.06
. . . . . . . . . . . . . 180 dCi . . . Engine dCi 4C [Euro III] . . . 4 / 4120 cm³ . . . 174 HP . . . 10.01 - 05.06
For vehicles with RVI options ''05403'' & ''73410''
Without A/C
Designazione
Kit motore
Specificazioni
QP-21 / TM-21
Numero OEM
---
Applicazioni (sintesi)
RENAULT . . . Midlum . . . 01.00 > 05.13
. . . . . . . . . . . . . 150 dCi . . . Engine dCi 4B [Euro III] . . . 4 / 4120 cm³ . . . 152 HP . . . 10.01 - 05.06
. . . . . . . . . . . . . 180 dCi . . . Engine dCi 4C [Euro III] . . . 4 / 4120 cm³ . . . 174 HP . . . 10.01 - 05.06
. . . . . . . . . . . . . 220 dCi . . . Engine dCi 6W [Euro III] . . . 6 / 6177 cm³ . . . 215 HP . . . 10.01 - 05.06
. . . . . . . . . . . . . 270 dCi . . . Engine dCi 6A [Euro III] . . . 6 / 6177 cm³ . . . 265 HP . . . 10.01 - 05.06
For vehicles with RVI options ''05403'' & ''73410''
Without A/C
RENAULT . . . Midlum . . . 01.00 > 05.13
. . . . . . . . . . . . . 150 dCi . . . Engine dCi 4B [Euro III] . . . 4 / 4120 cm³ . . . 152 HP . . . 10.01 - 05.06
. . . . . . . . . . . . . 180 dCi . . . Engine dCi 4C [Euro III] . . . 4 / 4120 cm³ . . . 174 HP . . . 10.01 - 05.06
. . . . . . . . . . . . . 220 dCi . . . Engine dCi 6W [Euro III] . . . 6 / 6177 cm³ . . . 215 HP . . . 10.01 - 05.06
. . . . . . . . . . . . . 270 dCi . . . Engine dCi 6A [Euro III] . . . 6 / 6177 cm³ . . . 265 HP . . . 10.01 - 05.06
For vehicles with RVI options ''05403'' & ''73410''
Without A/C
Designazione
Kit motore
Specificazioni
SD7H15 / SD7L15QP-13 / TM-13
QP-15 / TM-15
QP-16 / TM-16
Numero OEM
---
Applicazioni (sintesi)
RENAULT . . . Midlum . . . 01.00 > 05.13
. . . . . . . . . . . . . 160 DXi . . . Engine DXi 5 [Euro IV] . . . 4 / 4761 cm³ . . . 160 HP . . . 05.06 - 09.10
. . . . . . . . . . . . . 180 DXi . . . Engine DXi 5 [Euro V] . . . 4 / 4761 cm³ . . . 185 HP . . . 09.10 -
. . . . . . . . . . . . . 190 DXi . . . Engine DXi 5 [Euro IV] . . . 4 / 4761 cm³ . . . 190 HP . . . 05.06 - 09.10
. . . . . . . . . . . . . 220 DXi . . . Engine DXi 5 [Euro IV] . . . 4 / 4761 cm³ . . . 220 HP . . . 05.06 - 09.10
. . . . . . . . . . . . . 220 DXi . . . Engine DXi 5 [Euro V] . . . 4 / 4761 cm³ . . . 220 HP . . . 09.10 -
For vehicles without RVI option ''1EZ02E'' (Added pulley with 2B grooves)
Without A/C
RENAULT . . . Midlum . . . 01.00 > 05.13
. . . . . . . . . . . . . 160 DXi . . . Engine DXi 5 [Euro IV] . . . 4 / 4761 cm³ . . . 160 HP . . . 05.06 - 09.10
. . . . . . . . . . . . . 180 DXi . . . Engine DXi 5 [Euro V] . . . 4 / 4761 cm³ . . . 185 HP . . . 09.10 -
. . . . . . . . . . . . . 190 DXi . . . Engine DXi 5 [Euro IV] . . . 4 / 4761 cm³ . . . 190 HP . . . 05.06 - 09.10
. . . . . . . . . . . . . 220 DXi . . . Engine DXi 5 [Euro IV] . . . 4 / 4761 cm³ . . . 220 HP . . . 05.06 - 09.10
. . . . . . . . . . . . . 220 DXi . . . Engine DXi 5 [Euro V] . . . 4 / 4761 cm³ . . . 220 HP . . . 09.10 -
For vehicles without RVI option ''1EZ02E'' (Added pulley with 2B grooves)
Without A/C
Designazione
Kit motore
Specificazioni
QP-13 / TM-13QP-15 / TM-15
QP-16 / TM-16
Numero OEM
---
Applicazioni (sintesi)
RENAULT . . . Midlum . . . 01.00 > 05.13
. . . . . . . . . . . . . 240 DXi . . . Engine DXi 7 [Euro IV] . . . 6 / 7142 cm³ . . . 240 HP . . . 05.06 - 09.10
. . . . . . . . . . . . . 270 DXi . . . Engine DXi 7 [Euro V] . . . 6 / 7142 cm³ . . . 271 HP . . . 09.10 -
. . . . . . . . . . . . . 280 DXi . . . Engine DXi 7 [Euro IV] . . . 6 / 7142 cm³ . . . 280 HP . . . 05.06 - 09.10
. . . . . . . . . . . . . 300 DXi . . . Engine DXi 7 [Euro V] . . . 6 / 7142 cm³ . . . 300 HP . . . 09.10 -
For vehicles without RVI option ''1EZ02E'' (Added pulley with 2B grooves)
Without A/C
RENAULT . . . Midlum . . . 01.00 > 05.13
. . . . . . . . . . . . . 240 DXi . . . Engine DXi 7 [Euro IV] . . . 6 / 7142 cm³ . . . 240 HP . . . 05.06 - 09.10
. . . . . . . . . . . . . 270 DXi . . . Engine DXi 7 [Euro V] . . . 6 / 7142 cm³ . . . 271 HP . . . 09.10 -
. . . . . . . . . . . . . 280 DXi . . . Engine DXi 7 [Euro IV] . . . 6 / 7142 cm³ . . . 280 HP . . . 05.06 - 09.10
. . . . . . . . . . . . . 300 DXi . . . Engine DXi 7 [Euro V] . . . 6 / 7142 cm³ . . . 300 HP . . . 09.10 -
For vehicles without RVI option ''1EZ02E'' (Added pulley with 2B grooves)
Without A/C
Designazione
---
Specificazioni
---
Numero OEM
---
Applicazioni (sintesi)
office@swisclima.ch
Nous trouverons pour vous
Wir werden für Sie finden
Troveremo per voi
We'll find it for you
office@swisclima.ch
Nous trouverons pour vous
Wir werden für Sie finden
Troveremo per voi
We'll find it for you
.png)


